作者:flotation 发布时间:2020-08-12
微信询价

药剂搅拌槽主要用于浮选作业前的各种药剂制备作业,搅拌槽采用平底桶形辐射循环螺旋叶轮机械搅拌式方法进行搅拌作业,工作时电动机牵引三角带传动装置带动叶轮旋转,药剂在叶轮的匀速转动下均匀混合,为下一阶段矿浆与药剂的混合做好必要的准备。

二、高效搅拌槽
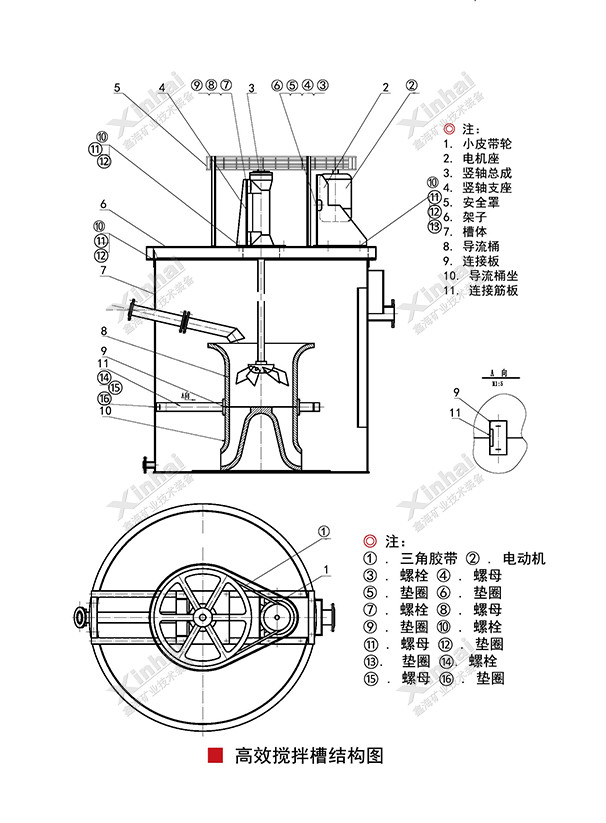
高效搅拌槽主要用于浮选作业前的矿浆搅拌,使药剂与矿浆充分混合,但与药剂搅拌槽不同的是,高效搅拌槽也可用于化工、建材行业料浆搅拌及氰化工厂、污水处理厂等工业部门。

三、浸出搅拌槽
浸出搅拌槽主要适用于比重小、粘度低、沉降速度慢、矿石粒度在-200目占90%以上,矿浆浓度小于45%的黄金浸出、吸附及其它混合作业,其搅拌强度适中,槽内矿浆浓度、细度分布一致,可提高氰化的浸出率和炭的吸附率。

