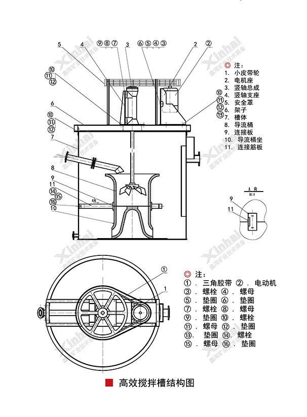
叶轮直径大、转速快,独特的伞形叶轮对矿浆施加向下的压力,使矿浆和药物搅拌能力和循环能力得到加强;
槽中有一个导流体,较大的负压缩小在有限空间内,加速了抽吸能力,增加了循环能力;
导流体下部设有喷射体,药矿的循环能力更进一步加强,有利于提高浮选指标。

| 型号 | 有效容积(m3) | 叶轮转速(r.p.m) | 叶轮直径(mm) | 电机型号 | 电机功率(kw) | 重量(kg) |
|---|---|---|---|---|---|---|
| BJW-500×600 | 0.094 | 493 | 160 | Y80L-4 | 0.55 | 120 |
| BJW-750×750 | 0.25 | 530 | 240 | Y100L-6 | 1.5 | 230 |
| BJW-750×1000 | 0.35 | 530 | 240 | Y100L-6 | 1.5 | 270 |
| BJW-1000×1000 | 0.63 | 530 | 240 | Y100L-6 | 1.5 | 362 |
| BJW-1250×1250 | 1.15 | 492 | 310 | Y100L1-4 | 2.2 | 490 |
| BJW-1500×1500 | 2.2 | 320 | 400 | Y132S-6 | 3 | 1310 |
| BJW-2000×2000 | 4.4 | 230 | 550 | Y132M2-6 | 5.5 | 1720 |
